DESCRIPTION

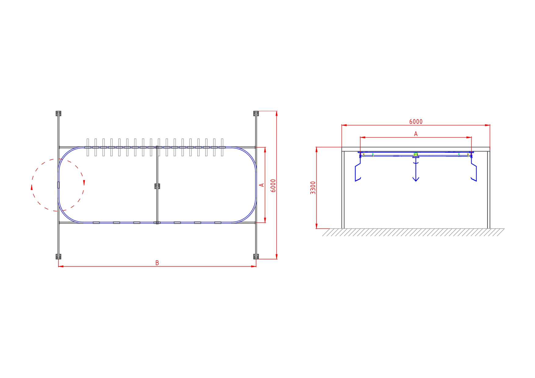
This manual overhead conveyor system is made up of a steel monorail and a modular support system. Items are attached to 360° swivel hooks and sliding carriages which are adjustable in height. They are then ready to be painted or impregnated.

Tecnical characteristics

Would you like to request more information about our products?