DESCRIPTION

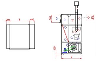
This air handling unit consists of a support frame and exterior panels which are insulated with glass wool. It is equipped with a double suction centrifugal fan with belt drive and an inlet polyester filter. It includes: a 430 stainless steel heat exchanger, a burner, a fume exhaust duct, an inlet damper and an outlet fire damper with double safety system.

Tecnical characteristics

Would you like to request more information about our products?